一、蒸汽分类
蒸汽管道分为两种:一种是饱和蒸汽(某一个压力下的温度为饱和温度)、一种是过热蒸汽(在一定压力下的蒸汽温度超过饱和温度)。
二、蒸汽管道的特点
温度高、管道热位移量大、管道支架要求高、管道多经过应力计算,在开车时经常出现水击情况。
三、蒸汽管道执行的规范
GB 50184—93 《工业金属管道工程质量检验评定标准》
GB 50235—2010 《工业金属管道工程施工及验收规范》
GB 50236—98 《现场设备、工业管道焊接工程施工及验收规范》
DL/T869-2004 《火力发电厂焊接技术规程》
DL/T 5031—94 《电力建设施工及验收技术规范》(管道篇)
HG 20225—95 《化工金属管道工程施工及验收规范》
HG 20225—95 《化工金属管道工程施工及验收规范》
SH/T3517-2001 《石油化工钢制管道工程施工工艺技术规程》
TSG_D0001-2009_压力管道安全技术监察规程—工业管道
检测按JB4730-94的规定执行
GB20801-2006压力管道规范(1~6部分)
GB50126-2008(工业设备及管道绝热工程施工规范)
GB50252-2010工业安装工程施工质量验收统一标准
四、蒸汽管道的组成件
管道、管件(弯头、三通、异径管)法兰、阀门、流量计、压力表、温度计、放空蒸汽疏水(启动排水、永久疏水、)管道支架(滑动支架、导向支架、固定支架)、弹簧支吊架(可变弹簧支吊架、恒力弹簧吊架)、吊架。
五、蒸汽管道的常用材料
20#钢、20G、16Mn、15CrMo、10CrMo910 、ST45.8/Ⅲ 、12Cr1MoV 等材质。
六、管道压力等级
GC1-P(设计压力)≥10.0PMa、T(设计温度)≥400℃
GC2-P(设计压力)1.0PMa>P<10PMa、185℃>T<400℃
GC3-P(设计压力)<1.0PMa、T(设计温度)-20℃~185℃
七、蒸汽管道施工安装质量控制
7.1材料进场检验
7.1.1质量证明文件
1)产品标准号、炉号、批号、交货状态、数量。
2)品种名称、规格及质量等级;
3)产品标准和订货合同中规定的各项检验结果;
4)制造厂检验印记。
5)管道组成件(管子、阀门、管件、法兰、补偿器、安全保护装置等)必须要有质量证明文件,无质量证 明文件的产品不得使用 。
7.1.2管道组件的进场实物查验
a.内、外表面不得有裂纹、折叠、发纹、扎折、离层、结疤等缺陷;
b.表面的锈蚀、凹陷、划痕及其它机械损伤的深度,不应超过相应产品标准允许的壁厚负差;
c.有符合产品标准规定的标识。
d.法兰应有密封面检查记录。
7.1.3阀门检验
1)阀门,其焊缝或阀体、阀盖的铸钢件,应有符合SH3064规定的无损检测合格证明书。
2)阀门的外观质量应符合产品标准的要求,不得有裂纹、氧化皮、粘砂、疏松等影响强度的缺陷。
3)每个阀门必须按相关要求进行液体压力试验及密封试验。
4)安全阀调试应有具有相应资质的检测单位进行。按设计文件规定的开启压力进行调试。调试合格后应及时铅封,并出具检验报告。
5)检验、试验合格的阀门,应按《阀门试压方案》的规定作出标识,并及时填写好阀门检验、试验记录。
6)安全阀调试应有具有相应资质的检测单位进行。按设计文件规定的开启压力进行调试。调试合格后应及时铅封,并出具检验报告。
7)检验、试验合格的阀门,应按《阀门试压方案》的规定作出标识,并及时填写好阀门检验、试验记录。
7.2管道组对使用前的复核
7.2.1管道组对前应对管道组成件的产品质量证明文件,应进行核对,且下列项目应符合产品标准的要求:
a.化学成分及力学性能;
b.合金钢锻件的金相分析结果;
c.热处理结果及焊缝无损检测报告。
7.2.2管件外表面应有制造厂代号(商标)、规格、材料牌号和批号等标识,并与质量证明文件相符,否则不得使用。
7.2.3法兰密封面不得有径向划痕、凹凸不平及锈斑等缺陷,密封面表面硬度应满足有关规定。
7.3管道及附件的复检:
7.3.1阀门安装前,应按设计文件中的“阀门规格书”,对阀门的阀体、密封面及有特殊要求的垫片和填料的材质进行抽检,每批至少抽查一件;合金钢阀门的阀体应逐件进行光谱分析。若不符合要求不得使用。
7.3.2合金钢管道组成件主体的关键合金成分,应根据规范规定的比例采用光谱分析或其它方法进行半定量分析复查,并做好标识。
7.3.3凡按规定作抽样检查或检验的样品中,若有一件不合格,必须按原规定数加倍抽检,若仍有不合格,则该批管道组成件不得使用,并应作好标识和隔离。
7.3.4设计压力≥10Mpa的管子,外表面按下列方法做100%的无损检测,检测方法和缺陷评定按JB4730的规定执行,检验结果以I级为合格:
a.外径大于12mm的导磁性钢管,应采用磁粉检测;
b.非导磁性钢管,应采用渗透检测。
7.3.5设计压力≥10Mpa管道用的合金钢螺栓、螺母,应逐件进行快速光谱分析,每批应抽两件进行硬度检验,若有不合格,则该批管道组成件不得使用,并应作好标识和隔离。
7.3.6合金材料的焊材每批应抽取一根焊材或焊丝进行快速光谱检测,若合金成分不符合要求,则该批焊材不得使用。焊接材料及时向监理方报验。
7.3.7在管道材料进场后,首先要对材质进行认真的复查检验和确认。根据GB50235、SH3501的规定,管道组成件应具有当地质量技术监督行政部门颁发的《压力管道元件制造单位安全注册证书》。管道组成件必须具有质量证明书或合格证,无质量证明书或合格证的或管子钢的牌号炉罐号批号交货状态与质量证明文件不符该批管子不得使用。
7.3.8质量证明书审查的内容至少应包括供货状态、力学性能、化学成分、合金钢锻件的金相分析结果、热处理结果及焊缝无损检测报告。
7.3.9材料报验时若对证明书中的特性数据有异议,应由监理工程师监督取样进行必要的分析检验。
7.3.10管道组成件应分区存放。碳钢钢与非合金钢、低合金钢管道组成件不得混放。
7.3.11管道的阀门的材质检验、压力试验均应按规范的有关条款进行。以上材料和部件均应报验监理审查合格后才能允许用于工程。
7.4材料管理
7.4.1材料存放、保护:材料按规格型号、材质、批次划区存放,并作好标识。不锈钢材料存放时不得与碳钢及合金钢接触。室外存放的管材、管件应上盖、下垫,防止受潮生锈。管口应封闭保护。
7.4.2需要防腐的管道,材料从防腐单位出厂时,防腐施工单位必须保证可追溯性编号及标识齐全,并与领料员进行可追溯性编号及标识的书面交接工作,如出现可追溯性编号及标识不清的情况时,领料员有权拒收该批材料。
7.4.3管子及配件发放时材料实体标识必须清晰,完整。发放时必须核对规格型号、材质、等级、数量。建立各级发放、领用档案做到材料使用的可追溯性。
7.4.4标识管理 :高压、特殊材质管子及配件在防腐完成后,应及时完成材质、规格移植,并做色标。具体标识过程按照项目部已下发的《项目物资标识管理》执行。
八、施工前的技术准备
8.1设计人员对施工单位技术交底。
8.2技术人员应仔细审阅蒸汽管道工艺施工图纸及施工技术要求,了解蒸汽管道的介质特性及介质的走向,在正式施工前对所有参加蒸汽管道施工的人员进行技术交底(包括施工方案、焊接作业指导书等进行全面交底)。
8.3技术员根据班组焊接自检记录,及时将焊口号、规格、焊工号、焊接日期等及时在数据库中进行登记完善,确保焊接自检记录必须与施工同步。
8.4审查焊接工艺评定,焊接工艺评定中的项目应满足本项目的需要。
8.5焊接工程师应对上岗焊工进行焊接工艺交底。
8.6上岗焊工必须经项目焊接技能鉴定合格后持证上岗。
8.7人员资质报审。
九、管道预制与安装的质量控制
9.1质量控制点的设置质量控制点至少应包括图纸会审、技术交底、方案审批、材料验收、坡口制备、组对检查、点固焊、正式施焊、外观检查、无损检测、热处理、硬度检测、压力试验、气密试验、清洗吹扫等主要工序。对于个别B级控制点当认为特别重要时应升级为A级控制点。
9.2管道预制加工应按现场审查确认的设计单线图进行,预制长度测量时应留出现场组焊的调节裕量。
9.3管道预制及安装过程中的每一道工序,均应核对管子进行标记,并做好标记的移植,以便实现可追溯性。不得使用钢印作标记。
9.4坡口加工及现场一次仪表口的加工应对毛刺、铁销等杂物进行严格控制和清理。
9.5管道组对时,要严格控制错变量(内壁厚的10%、且不大于2mm、外部最大量3mm),确实错不开的情况下应将台阶让在外壁,保证内壁光滑(管道组对时应调整管道椭圆度差)。
9.6工艺配管时采用氩弧焊打底手工焊盖面,壁厚10mm以内的管道最好采用全氩弧焊。
9.7管道安装时,应检查法兰密封面及垫片,不得有影响密封性能的划痕、锈斑等缺陷存在。法兰环槽密封面与金属环垫应作接触线检查。
9.8管道开孔时必须采用机械开孔,禁止用气焊和电焊开孔,开孔后应对开孔毛刺进行打磨。


十、管道补偿:
10.1管道自然补偿
管道利用自然拐弯来进行管道的热应力补偿
计算工公式:

式中:
“l2”形补偿的短臂长度 m
△L长臂的热胀量 mm
Do管子外径 mm

10.2方形补偿器:方型补偿器分平面方型补偿器和立体方型补偿器,是管廊上热管线补偿热位移的主要型式,这种补偿器安全可靠。
方形补偿器是靠补偿器的臂长H、H2+H1来补偿。

十一、管道支架的安装:
11.1管道的滑动支架
11.1.1滑动支架的高度(根据管道的保温厚度)一般分为h=100、150等,长度(根据管道的位移量)分为h=300、400、450mm等,
11.1.2管道支架安装一般根据管道的每一个滑动支架点的位移量向位移方向的反方向偏装该点管道位移量的1/2。


11.1.3管道支架的间距,管道支架之间据应根据管道的基本跨距来设置安装。
要求管道敷设无坡度时

式中:ls-管道支架之间的距离mm;
ys-管道自重引起的绕度mm;
is-管道的坡度。
11.2管道的导向支架的安装
11.2.1热力管道的导向支架的安装不能像一般的管道那么随意,尤其是在管道的自然拐弯处的安装要特别小心,否则就会出问题。此处的安装一定要根据管道自然补偿的要求进行安装。
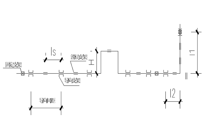
11.2.2管道布置示意图

11.2.3支管上导向支架设置
当主管存在膨胀时,连接在主管上的支管柔性要非常注意,在现场施工安装时要特别注意支管道上的第一个导向支架的安装,为避免系统产生较大的力,导致焊缝破坏或者法兰泄漏,因此需要控制支管最小无约束(导向)长度,此值可以用下式进行计算:

式中:
最小无约束支管长度 m
主管膨胀量 mm
支管公称直径 mm

11.3吊架安装的要求
11.3.1刚性吊杆长度一般要求为该点位移量的20倍,吊杆的摆动角度(吊杆与垂直线的夹角)不大于3°。
11.3.2弹性吊架,可活动的拉杆长度不小于该点位移量的15倍,其夹角不大于4°。

十二、补偿器的冷紧
12.1冷拉是在管系安装时在适当的地方留下一定的间隙,当锚固点固定之后,将间隙处管道两端拉紧。当撤掉拉紧装置时,管道上产生冷态应力相当于管道上加了预应力,这时锚固点或设备在冷态时就承受了管道系统的拉力。
12.2冷拉对稳定冷态与热态的应力有好处,可在比较短一点的时间内促使应力松弛及早进入应力稳定状态。
12.3冷拉使高温管道在冷态下产生预应力可以减少弯曲和扭转应力也减少了固定点的荷载。
12.4过去规范规定的冷拉比为0~1,250°以下为0.5,250°~400°为0.7, 400°以上为1.0,有效系数2/3;若是设计温度在需要限制其热应力值不超过材料的蠕变破坏特性范围内,其冷拉量最好为膨胀量100%,且不小于85%。
12.5冷拉示意图

十三、管道焊接的质量控制
高温管道使用合金钢材料的较多,管道在安装质量控制中除了对原材料进行严格验收确认外,焊接管理首当其冲。所以,对焊接人员的资质、焊接的可追溯性、焊后检验、质量监督等各个环节均应进行严格把关。
13.1焊接人员资质管理
根据实践经验,所有焊工除了按《锅炉压力容器压力管道焊工考试与管理规则》的要求经过考试合格持证上岗外,进入工地后由监理和业主进行现场考试取得本工地的上岗资格,才能允许进行氧气管道的正式焊接操作。
13.2焊前准备
根据施工图和焊接工艺评定编制作业指导书,对入场的焊条、焊丝的检查验收严格按规范执行。焊条应按指导书和厂家使用说明书要求进行严格的烘干、发放、回收,并应有台账。检查焊机的完好性能、根据指导书调整电流电压。焊材和焊工报验监理审查合格。
13.3焊接要求
对于焊接环境(环境温度、风速、湿度、雨雪天气)的要求,按作业指导书的相关条款进行现场实际测量记录,凡是不符合要求的在措施未得到落实之前一律禁止施焊。
深度预制,凡是能够采用转动口的绝不采用固定口,高空组对焊接的焊口其质量远不如在地面完成的焊口质量高。
焊缝布置应按图纸及规范要求、俩焊缝之间的间距不得小于规定值,否则要获得批准,不得在焊缝上开孔。
13.4焊前预热及焊后热处理
管道焊前预热及层间温度的保持应按焊接指导书的规定进行。中断焊接后需要继续焊接时,应重新预热。管道焊接接头的热处理,应在焊后及时进行。热处理温度、升温降温速度、恒温时间等参数应严格执行指导书的规定,不得随意改变,并及时做好记录。易产生延迟裂纹的焊接接头,焊接时要严格保持层间温度,焊后应立即均匀加热至300~350℃保温缓冷,并及时进行热处理。
13.5焊接的可追溯性管理
在实践中, 管道单线图是整个管道焊接情况的综合显示,它主要包括以下内容:管线号、材料规格、牌号、焊缝编号、焊接方法、接头形式、焊工代号、焊缝补焊位置、固定口位置、转动口位置、固定支架位置、活动支架位置、探伤比例、返修口的位置等, 资料与施工进度要同步, 确保能够达到追溯目的。
焊缝返修本来是正常发生的,但是规范有不超过俩次的特殊规定,有些技术人员在碰到第三次返修时,为了回避制定返修方案、报总工程师批准等特别规定而将这一过程不予记录,虽然第三次返修经过无损检测合格,显示合格率较高,但是失去了今后真正提高焊接一次合格率的机会,因为没有将记录返修次数的原始资料保存下来,也就不能针对其原因采取纠正措施;同时,如果返修次数超过俩次,对焊接接头的性能将不可避免地产生影响,从而为管道今后的安全运行留下隐患,所以,记录返修过程的原始资料对今后监督管道的运行显得尤为重要。
管道焊接记录是验证焊接工艺正确性及焊工是否按工艺要求进行施焊的重要依据,所以,必须要求施焊过程中对同一规格、采用同种焊接方法的焊接参数进行认真记录,这其中焊接人员充当着旁站监理的角色,必须全过程进行跟踪不得有半点马虎。
十四、无损检测
14.1根据设计文件及规范要求,射线透照质量等级要求不得低于AB级。射线检测百分率和合格等级参照《钢制压力容器》GB 150-1998和《现场设备、工业管道焊接工程施工及验收规范》GB 50236-1998第11.3.5.7款与第11.3.5.8款以及《工业金属管道工程施工及验收规范》GB 50235-1997第7.4.3条来确定。凡是按比例进行无损检测的焊口应由监理工程师随机抽样,不得提前准备部分焊口专门用来进行RT照相。对于返修焊口的管理应该引起高度关注,应安排同一焊工应用同一焊接工艺进行返修施焊。对于角焊缝的检查应选用UT、PT、MT等方法,决不能因为难度大而不予检测,尤其是仪表管咀的凸台焊口应引起高度重视。
14.2实际施工过程中,预制的焊缝属于转动口,其质量容易保证,无损检测一次合格率很高。而固定口由于安装位置的限制,比如架设高度过高、操作空间太小安放探伤机的难度也较大、对焦比较困难,所以这部分焊缝是质量管理的难点和重点,必须进行跟踪监督决不能掉以轻心。
十五、蒸汽管道的启动排水和永久疏水
15.1蒸汽管道的疏水有两种,一种是过热蒸汽设置启动排水,一种是饱和蒸汽设置启动排水和永久疏水。
15.2设置疏水的目的是防止蒸汽管道在开车暖管过程中防止水击,避免管道的损坏和不安全因素。
15.3疏水的形式有闭式系统和就地排放(开式)系统。

过热蒸汽管排水图

饱和蒸汽疏水就地排放图

饱和蒸汽闭式疏水排放图
十六、管道系统试压
16.1蒸汽(高温)管道试验压力与一般管道的试验压力不同要考虑管道的使用温度的因素。
压力试验计算公式:

16.2在系统管道试压前必须进行试压条件的确认,对已经具备条件的管道系统方可进行液压试验。
16.3对位差较大管道,应将试验介质的静压计入试验压力中,液体管道的试验压力应以最高点的压力为准,但最低点的压力不得超过管道组成件的承受力。
16.4当试验过程中发现泄漏时,不得带压处理。消除缺陷后,重新进行试验。
16.5管道系统进行压力试验的项目及试验压力值、升压速度、保压时间、检查项目、合格标准等应按设计文件规定执行,并做好记录经过监理确认。
16.6管道试压前,对管线进行检查,确认管道已安装合格,支架固定牢固。补偿器必须采取临时加固措施。
16.7试验用的介质。强度试验可采用洁净水、压缩空气、氮气作介质,严密性试验可采用无油无水压缩空气或氮气。
16.8在系统试压前被拆除不与系统一起试压的短管段应单独试压,合格后恢复到原来位置。
16.9压力试验过程中,作好压力试验记录,经质量监督站、总承包方、监理、施工单位等几方共同检查合格后,及时办理签字确认。
十七、蒸汽管道吹扫
17.1蒸汽管道吹扫前准备
(1)蒸汽管道吹扫前,应有经过有关部门批准的吹扫方案及安全、组织措施。
(2)蒸汽管道吹扫,应在整个管道系统焊道100%无损探伤、严密性试验合格,保温已完成后进行。
(3)蒸汽吹扫前,应将系统内易损坏、易堵塞的仪表、流量孔板、节流阀芯等进行拆除,并妥善保管,待蒸汽吹扫合格后进行复装。
(4)蒸汽吹扫前,应考虑管道支吊架的牢固程度,必要时应予以加固,弹簧支、吊架的弹簧高度应按设计文件规定安装,弹簧调整至冷态值并作记录。
(5)吹扫与机组连接的蒸汽管道,不得将管道直对机器,严防杂物进入机器内,机组上的敞口应封闭。
(6)不参加吹洗的设备及管道,应与被吹洗的系统妥善隔离。
(7)管道吹扫应先吹扫主管、再支管,最后吹扫疏水管的程序进行。
(8)当一个装置有多台汽轮机时,可根据现场的具体情况,配置可拆卸的、适合公用的临时排汽管道,临时排汽管道应符合下列规定:排汽管管口应朝上倾斜(30°左右为宜),并应引至室外,排汽口喷出的汽流方向应无设备及建筑物;排汽管道的内径宜等于或大于被吹扫管道的内径,长度应尽量短捷,以减少阻力;排汽管应具有牢固的支承,以承受排汽的反作用力;排汽管道对口焊接应与正式焊口要求相同,并应装设消音装置,以降低吹扫管道引起的噪音,保护环境的安静。
(9)准备好检查吹扫质量的铝靶板,靶板表面应光洁,宽度为排汽管内径的5%~8%,长度应大于管子内径。
17.2.蒸汽吹扫
(1)蒸汽吹扫时应先暖管,及时排水。暖管应缓慢进行,即先向管道内送入少量蒸汽,对管道进行预热,直到吹扫管道末端与进汽端的温度接近相等。恒温1h后方可进行吹扫,当蒸汽管道在自然条件下降温至环境温度时,再继续缓慢升温暖管,恒温1h后方可进行第二次吹扫,如此反复至少三次。
(2)吹扫主蒸汽总管时,应用总蒸汽阀来控制蒸汽流量。吹扫支管时,应用支管路各分支阀门控制蒸汽流量。开启各蒸汽阀门前,应将前面蒸汽管道中的凝结水从启动疏水管中排出,以免形成水击。
(3)蒸汽管道应用大流量蒸汽进行吹扫,流速不应低于30m/s。吹扫压力应维持在管道设计的75%左右,最低不应低于设计压力的25%。
(4)吹扫流量为设计流量的40%~60%,每次吹扫时间约为15~20min。
17.3蒸汽吹扫标准 主蒸汽管道吹扫效果用装于排汽管内的靶片进行检查。靶片安装如图1所示,靶板器应具有足够的强度,其结构应简单,密封性好,操作灵活,换取靶板应安全方便。靶板应在管道多次吹扫之后再安装,并在靶板上作出每次吹扫的标记;当排汽口排出的蒸汽目视清洁时,可暂停吹扫进行吹扫质量检查。在保证冲刷力的前提下连续两次更换靶板检查。
1靶板上痕迹尺寸φ0.6mm以下
2痕迹深度∠0.5mm
3粒数1个/cm2
4打靶时间吹扫15min检查,两次均合格

管道末端管图
十八、管道施工技术文件用表
管道组成件验证性和补充性检验记录SH/T 3503-J401
阀门试验确认表SH/T 3503-J402
弹簧支/吊架安装检验记录SH/T 3503-J403
滑动/固定管托安装检验记录SH/T 3503-J404
管道补偿器安装检验记录SH/T 3503-J405
管道系统耐压试验条件确认与试验记录(一)SH/T 3503-J406-1
管道系统耐压试验条件确认与试验记录(二)SH/T 3503-J406-2
管道系统泄漏性/真空试验条件确认与试验记录SH/T 3503-J407
管道吹扫/清洗检验记录SH/T 3503-J408
管道焊接接头热处理报告(一)SH/T 3503-J411-1
管道焊接接头热处理报告(二)SH/T 3503-J411-2
管道焊接接头射线检测比例确认表(一)SH/T 3503-J412-1
管道焊接接头射线检测比例确认表(二)SH/T 3503-J412-2
管道静电接地测试记录SH/T 3503-J413
管道材料发放一览表SH/T 3503-J414
安全阀调整试验记录SH/T 3503—J119
安全附件安装检验记录SH/T 3503-J120
十九、工程资料的整理移交
工程验收合格,承包商与监理单位应对下列技术文件资料共同检查确认,无误后向建设单位提交:管道组成件原材料及焊接材料的产品质量证明文件、单线图、无损检测报告、静电接地测试记录、压力试验泄漏性试验记录、吹扫记录、安全装置的安装记录、安全阀试验调试记录、管道竣工图等。
二十、工程实例
蒸汽管道损坏后修复

蒸汽管道再翻高处未设置蒸汽启动排水和永久疏水

蒸汽管道在开车时产生水击造成水击造成蒸汽管道支架吊炕造成管架梁的破坏

蒸汽管道在开车时产生水击造成水击造成蒸汽管道固定挡块剪断后管道的位移

蒸汽管道在开车时产生水击造成水击造成蒸汽管道固定挡块受力剪断掉下

蒸汽管道位移量过大从支架梁上掉下

临时处理将管道支架托起

蒸汽管道开式疏水系统,就地引致地沟


