管线综合支吊架是在安装工程中将给排水、暖通、电气、消防等各专业的支吊架综合在一起,统筹规划设计,整合成一个统一的支吊架系统,有利于节约成本、加快施工进度、提高观感质量,并最大限度的节省空间。
管线综合支吊架技术优势多多
给排水系统、空调水系统、空调风系统、消防平层主管、强弱电桥架,可以采用同一支吊架,省去了穿插安装支吊架的复杂过程,提高了工作效率。

普通安装方式支吊架凌乱分散,交叉较多,采用综合支吊架工法,将排布整齐有序的综合支吊架取代传统支吊架形式,不仅减少了支吊架的数量,而且使管线走线更清晰,明朗,观感、质量均大大提高。在满足各种管线布置的前提下,有效地控制整体占用空间。
支吊架设计时,考虑所有被支吊物最大应力时的极限叠加,而实际受力远小于此,例如水平力同时达到相同方向的最大值等。经过荷载计算,保证了综合支吊架的强度,相对于传统支吊架做法更安全可靠。
支吊架的减少,减少了建材用量,节约了成本。节约了资源,减少了现场加工的人工及材料加工时产生的噪音和固体废弃物污染。
学习管线综合支吊架施工工艺
首先对安装工程给排水、暖通、电气、消防等所有专业进行深化设计,利用BIM等工具优化布局,对各专业管线进行综合布置。根据管线综合布置的结果,制定出支吊架初步方案。根据方案计算间距、过载重量,再通过计算结果确定吊杆和横梁的尺寸,然后制定支吊架定型方案及大样图。最后根据策划确定的方案及大样图下料、制作、安装。
① 结合现场深化设计
↓
② 对各专业管线进行综合布置
↓
③ 确定支架间距及过载计算
↓
④ 计算支吊架尺寸及选材
↓
⑤ 设计综合支吊架方案及大样图
↓
⑥ 支吊架材料准备及加工制作
↓
⑦ 支吊架安装
↓
⑧ 支吊架的校正及检查试验
一、结合现场深化设计
首先明确设计及规范要求,结合现场熟悉图纸。
二、对各专业管线进行综合布置
- 工程管线综合布置原则
1)大管优先。由于大截面、大直径的管道,如空调通风管道、排水管道、冷却水管道、排烟管道等占据的空间较大。在平面图中先作布置。
2)强弱电分设。由于弱电线路如电信、有线电视、计算机网络和其它建筑智能线路易受强电线路电磁场的干扰,因此强电线路与弱电线路不应敷设在同一个电缆槽内。
3)有压让无压。指有压管道和无压管道。无压管道.如生活污水、粪便污水排水管、雨排水管、冷凝水排水管等都是靠重力排水,因此,水平管段必须保持一定的坡度,是顺利排水的必要和充分条件。所以在与有压管道交叉时,有压管道应避让。
4)电气避热避水。在热水管道、蒸汽管道的上方及水管的垂直下方不宜布置电气线路。
- 综合考虑各专业特性
1)综合支吊架施工技术的关键是熟悉各专业管线的特性,有压管道、桥架走向相对不受限制,只要适当考虑节约即可,而对于排水、空调冷凝水等无压管道,坡度是必须要考虑的因素,且不宜受其它管线影响其路由,以确保坡度合理,排水通畅。
2)考虑保温、隔热垫的设置高度。
3)风道是空间占用最大的,可以考虑在支吊架上设二层支吊架把风道架高的办法,这样风道下面还可以有走管线的空间。
4)了解各专业管线的支吊架设置要求,确定合理的支吊架布置间距、形式、材质及规格型号。
5)考虑装饰施工的吊顶龙骨施工情况,特别是主龙骨的设置,明确其布置位置,高度尺寸。
- 明确支吊架的综合布局,利用计算机画出初步施工布置图,明确布置方案。
根据初步确定布置情况现场核实方案的可行性,依据具体墙体设置情况,顶部梁板分布情况,结合盘管、风机等设备的位置情况,进行方案的调整,确定支吊架形式、材质,型号的规格,最终达到方案切实可行。
三、确定支架间距及过载计算
- 管架计算间距
管架计算间距可定为1.5米,3.0米,6.0米三种。
- 过载计算
1)设备、风道、电缆桥架、各类管道自重
设备、风道自重参照设备出厂合格证及检测报告具体数据;电缆桥架自重参照《五金手册》进行计算;各类钢制管道自重,管径DN15~DN150按照国家标准《低压流体输送用焊接钢管》的普通钢管,管径DN200~DN500按照国家标准《输送流体用无缝钢管》的最小壁厚管重计算。塑料管道自重,管径20mm~315mm按照国家标准《给水用硬聚氯乙烯管材》的管重计算。
2)安装过载计算
设备按动载承重计算;风道按风道自重计算;电缆桥架按承载电缆重量及桥架自重之和计算,各类管道重量按保温管与不保温管两种情况计算。
(1)保温管道:按设计管架间距的管道自重、满管水重、60mm厚度保温层重以及以上三项之和10%的附加重量计算。保温材料容量按岩棉100kg/m³计算。
(2)不保温管道:按设计管架间距内的管道自重、满管水重及以上两项之和10%的附加重量计算。
(3)各种管道间距管重均为计入阀门重量(弯管托座管重包括阀门重量),当管架中有阀门时,在阀门段应采取加强措施。
(4)管架计算管重不足10kg的按10kg计算,超过10kg的按10kg进位化整,如24.3化整为30kg。
3)设计荷载
(1)垂直荷载
考虑制造、安装等因素,采用管架间距的标准荷载乘1.35的荷载分项系数。
(2)水平荷载
按垂直荷载的0.3倍计算。
(3)地震荷载
按地震设防烈度≤8度计算地震作用。不考虑风荷载。
四、计算支吊架尺寸及选材
- 吊杆
吊杆按轴心受拉构件计算,并考虑了一定的腐蚀余量。吊杆净面积An按下式计算,并满足国标GB/T17116.3。吊杆最大使用荷载见下表。

An-吊杆净截面积(mm²)
N-吊杆拉力设计值(N)
f-钢材强度设计值(N/mm²)
吊杆最大使用荷载

- 横梁
1)横梁抗弯强度计算

rx、ry-截面塑性发展系数
Mx、My-所验算截面绕x轴和绕y轴的弯矩(N-mm)
Wnx、Wny-所验算截面对x轴和对y轴的净截面抵抗矩(mm³)
f-钢材强度设计值(N/mm²)
2)横梁抗剪强度计算

r-抗剪强度(N/mm²)
V-计算截面沿腹板平面作用的剪力(N)
S-计算剪力处以上毛截面对中和轴的面积矩(mm³)
Ix-毛截面惯性矩(mm⁴)
tw-腹板厚度(mm)
fv-钢材的抗剪强度设计值(N/mm²)
- 连接计算
焊接连接及螺栓连接按钢结构设计规范的有关公式,计算所需焊缝长度及连接螺栓大小。
- 受弯梁挠度和受压构件长细比的规定
受弯梁绕度不宜大于L/200(L为受弯构件的跨度,对悬臂梁和伸臂梁为悬伸长度的二倍)。受压构件的允许长细比不宜超过120。
- 选材要求
1)本设计如无特殊标明,均按重量计算设计。在满足5.2.3的条件下,可直接使用本设计。有防震要求时,应在管卡部位的周围衬垫3mm的橡胶层。
2)管道吊架由吊架根部、吊杆、横担和管卡四部分组成,可根据需要进行组合选用,同时还应注意,吊架根部的吊杆直径必须与各吊架横担的吊杆直径相同。
3)本设计仅考虑支吊架本身的强度与变形。当管径较大时,有关支吊架对于梁、板、柱、钢架等结构强度的影响,须经结构专业设计人员验算。
4)支吊架所使用的标准件应为专业厂家生产,自行制作的管架所用的钢材应采用Q235B钢,制作时,钻孔不得使用气割,电焊条采用E4300~E4313号。
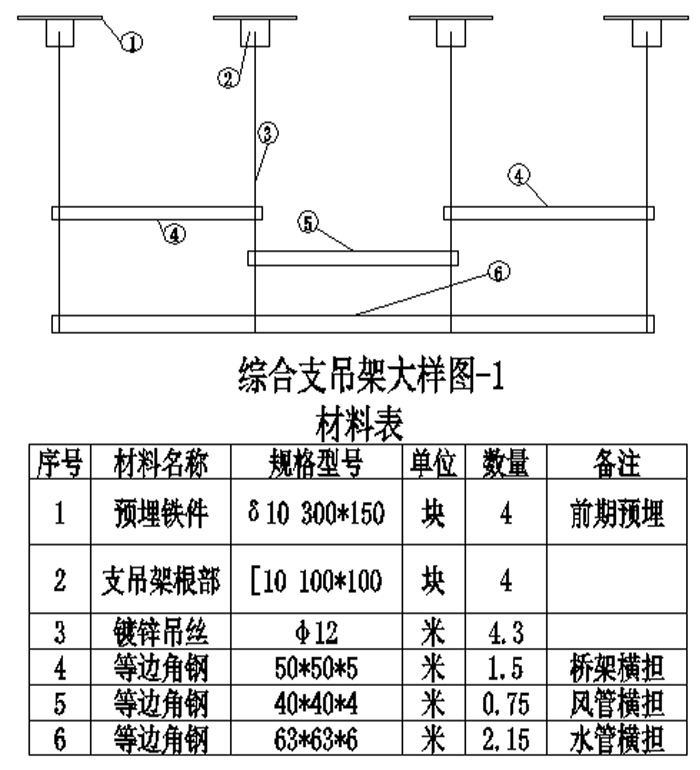
五、设计综合支吊架方案及大样图
具体参见下图(综合支吊架大样图),施工时可根据不同的现场施工情况和用途进行自主调整和变更。








六、支吊架材料准备及加工制作
- 钢材的除锈与防腐
钢材进场经监理验收后,采用角向磨光机对钢材进行除锈;除锈完成后,采用空压机对钢材喷漆进行防腐。
- 综合支吊架的根部的加工制作
综合支吊架的根部采用[10槽钢加工制作,制作方法如下:采用氧气、乙炔对槽钢进行截断,再采用氧气、乙炔在槽钢段的一侧开口,开口大小为50mm×13mm;最后,采用角向磨光机对已加工好的根部进行抛光处理。
- 综合支吊架根部的焊接
根部加工完毕后,将其与原来预留的支吊架预埋铁件进行焊接,使它们连接牢固。支吊架上部应与预埋件平齐,不得超出或低于预埋件,焊缝厚度不得小于4mm,全长度满焊。
- 综合支吊架根部的防腐
根部焊接完成后,将焊渣清理干净后,采用红丹防锈漆对其进行防腐处理。
- 吊梁的加工制作
综合支吊架的根部焊接完成后,根据电缆桥架、风管、水管的设计施工图纸,结合施工现场实际情况;采用砂轮切割机和台钻,对∠40×4、∠50×5、∠63×6的角钢进行加工制作。支、吊、托架要统一加工,形式一致。支吊、托架的角钢、槽钢的管卡眼,一律采用机械钻孔,严格禁止电气焊打孔。
七、支吊架安装
- 吊杆的安装
将吊杆安装在根部的条形孔内。
- 吊梁的安装
将各种不同用途的吊梁,按照设计方案的要求,安装在不同的标高上。支、吊、托架所用的角钢、槽钢开口朝向应一致。
八、支吊架的校正及检查试验
- 综合支吊架的校正
每个区域的综合支吊架安装完成后,采用水准仪和经纬仪对综合支吊架的吊杆和吊梁进行调正、调平。
- 过载试验
使用承重物悬挂于支吊架上,荷载为设备、风道、电缆桥架、各类管道及支吊架自重及工作荷载的总合的2倍,悬挂时间为12小时。试验结果应预埋件牢固、吊架根部焊接严密、支吊架未变形为合格。

